???








測量方法
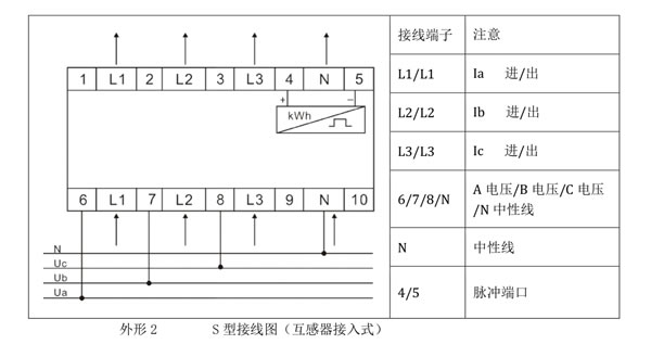
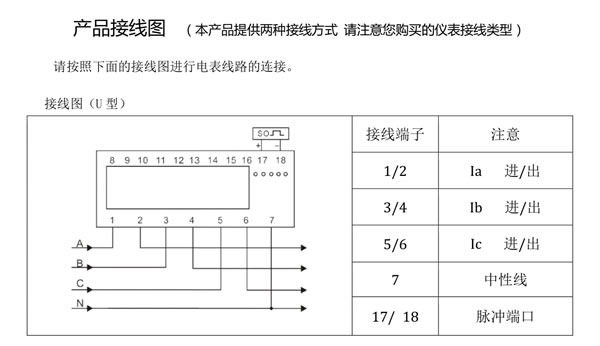
該電能表有光電耦合式電能脈沖測試輸出端口,位于接線端鈕盒上,將側試設備的+5VDC接到正極端子上,信號線 S 接到負極端子上即可。
運輸與貯存
1.電能表的運輸和拆封不應受到劇烈沖擊,并根據 ZBY002 -81《 儀器儀表運輸、貯存基本環境條件及試驗方法 》 之規定運輸、貯存。
2.電能表應保存在原包裝箱內,保存地方的環境溫度為- 30~+65 ℃ ,相對濕度不超過 95%,且在空氣中不含有足以引起腐蝕的氣體,環境溫度不應劇烈變化。
3.電能表應在原包裝的條件下,放置在臺架上,疊放高度不超過五箱,拆箱后單只包裝的電能表疊放高度不超過五只,內包裝(塑料袋)拆封后的電能表不宜貯存。
保證期限
該電能表自出廠日期起 18 個月內,若用戶發現電能表不符合上述特性及產品標準規定的技術要求,再制造商檢鉛封仍完整(或有關電力計量部門證明)并完全遵守本說明書中所規定的運輸、保存、安裝及使用規則的條件下出現質量問題,制造商給予免費修理或更換。